
Bien après Ctésibios à Alexandrie, c'est au début du XVIIème siècle que Galilée comprend au cours d’une expérience sur la chaleur que l’air se dilate quand il s’échauffe et qu’il se contracte quand il se refroidit. En l'absence d'échelle, la température ne pouvait être chiffrée par cet instrument. Le thermomètre à air repris par Santorre Santorio (1561-1636), couramment appelé Sanctorius est un instrument gradué sensible à la température, appelé thermoscope. Cet appareil possède uniquement trois graduations : la température de l’air refroidi par la neige, la température de l’air réchauffé par la flamme d’une bougie et le point médian. L’inconvénient majeur des thermoscopes est qu’ils sont sensibles à la pression atmosphérique.
En 1641, les premiers thermomètres à tube scellé contenant du liquide voient le jour, sous l’impulsion de Ferdinand II, grand duc de Toscane. Les savants et constructeurs ne cessent par la suite de perfectionner le thermomètre à dilatation de liquide, avec notamment le choix du liquide thermométrique le plus adapté. Ainsi, le mercure remplace progressivement l’eau et l’alcool comme liquide thermométrique. A noter que de nos jours, le mercure, un métal sous forme liquide à température ambiante, ne doit plus être utilisé car il est toxique ; il est remplacé de nos jours par différents liquides organiques.
Au cours du XVIIIème siècle, les études se multiplient au sujet de l’échelle thermométrique à utiliser.
Les premiers thermomètres à minimum et à maximum sont fabriqués dès le milieu du XVIIIème siècle. Le thermomètre à minimum de l’époque est similaire à celui qui est encore utilisé de nos jours dans les postes climatologiques non automatisés. L’instrument actuel du thermomètre à maximum a été inventé en 1852.
Pour mesurer la température de l'air, le thermomètre ou la sonde est placé à 1,5 m du sol dans un abri ajouré. Cet abri laisse ainsi circuler l'air et protège l'instrument de mesure du rayonnement direct du soleil. Pour effectuer leurs mesures, les services météorologiques respectent des normes définies par l'Organisation météorologique mondiale. Ces observations, réalisées dans des conditions identiques partout dans le monde, peuvent ainsi être échangées, comparées et intégrées dans les modèles de prévision du temps.
Pour s'affranchir des effets du rayonnement solaire direct, il est conseillé de suspendre le thermomètre ou la sonde à l'ombre, du côté nord de la maison, à distance du mur et à l'abri des précipitations.
La température et les précipitations sont les deux paramètres atmosphériques les plus fréquemment mesurés. Or, si les principes physiques mis en œuvre sont simples, il convient d'admettre que des erreurs de mesure importante peuvent exister. Comme on pourrait s'en douter, les météorologistes ne se contentent pas de relever la température d'un thermomètre posé sur le rebord d'une fenêtre. En effet, des mesures prises sans précaution donneraient automatiquement des résultats fortement influencés par l'environnement de l'outil de mesure.
Le degré de chaleur diffère forcément de la température que l'on ressent car cette dernière est fonction de l'humidité ambiante, du vent ou même encore du rayonnement solaire, apte à provoquer de très fortes hausses de température. Placer le thermomètre à l'ombre ne résout pas le problème puisque l'outil tend à s'échauffer encore de quelques degrés du fait de la réflexion des rayons sur l'environnement (terrasse, fenêtres, toiture etc...). De plus, si l'appareil était mouillé, l'évaporation d'eau entraînerait un certain refroidissement. Ces conditions, en partie aléatoires, empêcheraient à coup sûr de comparer entre eux les différents relevés de températures.
Aussi, afin de mesurer la température dans des conditions absolument standards, et de pouvoir en déduire des cartes d'isothermes (lignes d'égale température), il est indispensable que le thermomètre soit toujours dans le même environnement. C'est pourquoi l'appareil est placé dans un abri météorologique, le plus neutre possible, donc peint en blanc et dans lequel il est justement protégé des intempéries (neige, grêle, pluie, rosée) comme du rayonnement solaire et infrarouge. Pour éviter tout biais, la base de l'abri est installé sur un sol naturel à végétation basse (idéalement un gazon) et le capteur de température est placé à environ 1,50 mètre du sol. Les météorologistes disposent ainsi de la température minimale (relevée à 18h), maximale (relevée à 6h) et moyenne enregistrée au cours des dernières 24 heures.
Si les capteurs de température présentent une fiabilité très satisfaisante, en revanche l'incertitude de la mesure de la température de l'air persiste essentiellement en raison de la difficulté de disposer d'un abri et d'un emplacement parfaitement neutre. Tous les corps émettent un rayonnement infrarouge d'intensité variable expliquant le refroidissement nocturne important du sol et des objets. L'abri doit donc être capable de protéger le capteur de tels déséquilibres. Mais la contrepartie est que ces abris météorologiques sont peu ajourés et ont tendance à réduire la ventilation de manière trop drastique. C'est pourquoi les meilleurs abris s'accompagnent désormais d'une ventilation naturelle.
Si vous ne disposez pas d'un d’abri, il est conseillé de suspendre le thermomètre à l’ombre, c'est à dire du côté nord de la maison (afin de s’affranchir des effets du rayonnement solaire direct), à distance des murs et à l’abri des précipitations. Un sol bétonné, qui aurait emmagasiné de la chaleur toute la journée, est bien entendu proscrit. Ne perdez pas de vue que la lecture du thermomètre doit se faire l’œil bien en face du liquide pour éviter tout risque d’erreur de parallaxe. Et bien sûr, afin de pouvoir comparer les mesures entre elles, prenez soin de toujours réaliser les relevés aux mêmes heures et sur le même instrument.
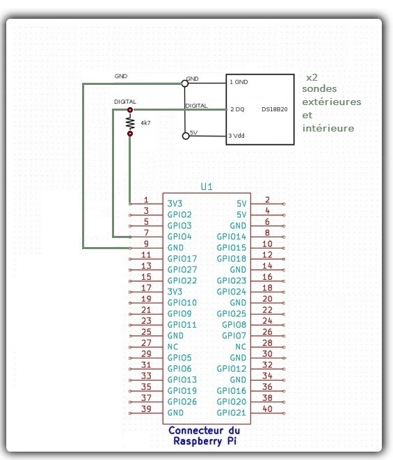
J'utilise une sonde de température étanche et digitale DS18B20 montée avec un câble de 1m.
Description:
- Sonde de température utilisant le capteur DS18B20
- Capteur monté dans une sonde de grande qualité en acier inox étanche et anti rouille
- Sonde de 6 x 30 mm.
- Câble de raccordement de 1m (existe aussi en câble de 3m)
- Chaque sonde est testée après montage.
Caractéristiques:
- Tension d'alimentation de 3 à 5.5 V continu (directement compatible avec Arduino
- Résolution ajustable de 9 à 12 bits
- Plage de température de mesure très large -55°C à +125 °C.
- Nécessite une résistance de tirage de 4.7k , une interface (arduino, etc...)
- Bonne résistance à la flexion, à l'oxydation, bonne conductivité thermique.
- 3 fils de sortie : rouge (Vcc), bleu (Data) et noir (Gnd).
- ou rouge (Vcc), gris (Ground), jaune (data).
- Précison de mesure de ±0.5°C sur la gamme de mesure -10°C à +85°C.
Il se connecte ainsi au raspberry:

Pour que le raspberry reconnaisse la sonde, voici ce qu'il faut faire:
Je suis allé consulter les sites suivants : https://jahislove314.wordpress.com/2014/07/16/installation-dun-capteur-de-temperature-1-wire-ds18b20-sur-raspberry-partie-1/.
http://www.framboise314.fr/mesure-de-temperature-1-wire-ds18b20-avec-le-raspberry-pi/#La_theorie
Mais attention, il faut tenir compte du device tree' et se rendre dans /boot/config.txt
à tapant la ligne suivante en mode console:
sudo nano /boot/config.txt
En fin de fichier, il faut ajouter : dtoverlay=w1-gpio
Puis redamarrer le Pi à l'aide de sudo reboot
Pas besion de "modprobe"
Suivre les explications de dtoverlay : http://www.framboise314.fr/un-point-sur-le-device-tree/
Et vérifier ensuite:
